
안녕하세요?
동탄 수입차 전문정비 모터 리페어입니다.

AdBlue 주행거리 제한 경고등 점등 문제로 2018년식 폭스바겐 티구안 2.0 TDI 차량이 입고되었네요.



차주분께서는 경고등이 점점 자주 나타나고, 제한 주행거리가 감소하는 메시지가 반복되어 정확한 진단과 SCR 시스템 점검을 요청하셨습니다.
티구안 계열에서는 SCR 레벨센서 계측 이상으로 인한 경고가 대표적인 고장 유형 중 하나라
오늘도 정비 절차를 차근차근 진행하게 됩니다.


차량을 워크베이에 입고한 후 사전 점검을 통해 요소수 잔량, 라인 누수 여부, 배선 체결 상태 등을 먼저 확인합니다.
이어 VCDS를 이용해 SCR 제어모듈의 고장코드와 실시간 데이터를 수집하면, 레벨센서 계측 오류와 통신 불안정 코드가 반복 저장되어 있는 것을 확인할 수 있습니다.

정상적인 레벨센서는 수위 변화에 따라 값이 일정 범위 내에서 변화하지만, 고장 시 0% 또는 100%로 고정되거나 수온센서와 함께 비정상값을 출력하는 패턴을 보입니다.

이번 차량은 이러한 대표적 오류 패턴이 그대로 나타나는 사례이군요.
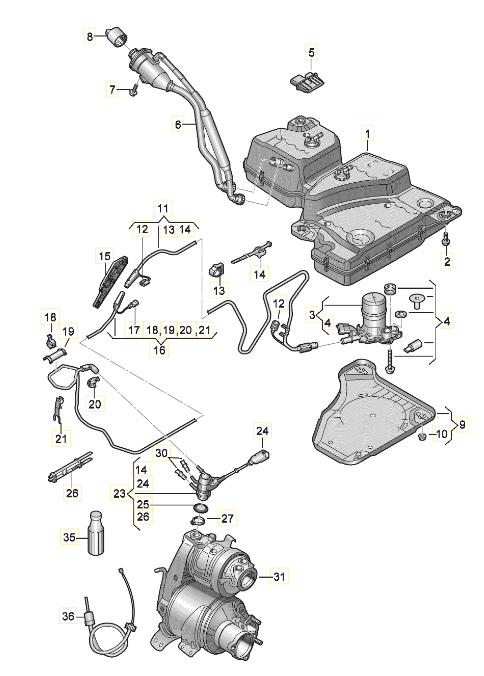
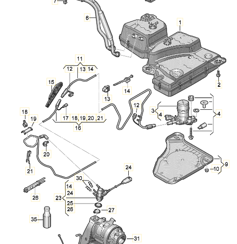
티구안 SCR 탱크는 레벨센서·온도센서·히터가 일체형 구조로 제작되어 있어 단품 교환이 불가능합니다.
따라서 SCR 탱크 어셈블리 교환이 시스템 정상화를 위한 유일한 정비 방향으로 판단되었고,
차주분께 점검 결과를 안내한 뒤 파츠 오더가 진행됩니다.

센터 물류팀을 통해 탱크 어셈블리가 입고되면 하부 보호패널을 탈거한 후
기존 SCR 탱크를 분리하는 작업이 시작됩니다.


SCR 라인과 배선은 구조상 손상되기 쉬운 구간이 있어 분리 과정에서 크림프 부위, 히터 라인, LIN 통신 배선을 하나씩 점검하며 탈거가 진행됩니다.

기존 탱크는 센서 내부 손상으로 인해 유효한 레벨 데이터를 내보내지 못하고 있었고,
시스템 보정 또한 더 이상 가능하지 않은 상태였습니다.

신품 SCR 탱크를 장착하고 조립은 분해의 역순으로 고정 토크와 배선 체결 상태를 세부적으로 확인합니다.

조립이 완료되면 요소수를 규정량으로 충전하고
VCDS를 통해 SCR 시스템 어댑테이션을 진행합니다.
이 과정에서는 레벨센서 보정, SCR 모듈 업데이트, 전체 계통의 압력·온도·레벨값 정상화 확인이 함께 이루어지죠.
데이터가 기준 범위로 회복되면 실차 테스트 주행을 통해 경고등 재점등 여부와 SCR 계통의 반응성을 확인하게 됩니다.
주행 테스트 결과 레벨센서값과 SCR 준비상태 모두 정상 범위로 안정되었고,
제한 주행거리 메시지도 소거되며 경고등이 재점등되지 않는군요. 다행입니다.

SCR 제어모듈의 반응 역시 규정값을 충족하는 것을 확인하여 정비는 마무리되며
차량은 출고 대기에 들어갑니다.
티구안·아우디·폭스바겐 계열의 SCR 시스템은 구조상
레벨센서 오류가 발생하면 경고등과 주행거리 제한 기능이 강하게 개입하기 때문에 정확한 진단과 탱크 교환이 매우 중요합니다.

이번 차량처럼 센서 회로 이상과 통신 오류가 함께 나타나는 경우에는 빠른 조치가 차량 관리에 도움이 됩니다.
바쁜 일정에도 방문해 주셔서 고맙습니다.
언제나 안전운전입니다.
모터 리페어








