
안녕하세요?
동탄 수입차 전문정비 모터 리페어입니다.

이번 사례는 2017년 닛산 맥시마(120,000km) 시동불능으로 견인 입고된 차량의 진단 및 정비 과정입니다.



보험사 긴급출동을 통해 점검을 받았지만 문제 해결이 되지 않아 정확한 시스템 진단을 위해 예약 후 방문해 주셨네요.
접수 후에는 차주 문진을 통해 증상 발생 패턴을 정리하고 외부에서 사전 점검을 진행하게되죠.
먼저 이그니션 반응 확인 후 기본 전원 공급 상태 점검하게됩니다.


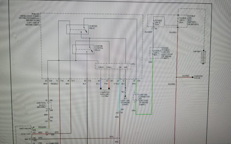
배터리 전압은 정상 범위였지만 크랭킹 신호가 생성되지 않는 점을 기준으로 시스템 점검사항중IPDM 진단을 진행합니다.

IPDM 내부 펄트에는 스타트 계통 관련 오류가 저장되어 있었고, 이를 기반으로 실제 신호 흐름을 비교하기 위한 회로분석과 직렬 전원 인가 테스트로 이어가게되죠.


직렬 테스트 과정에서는 스타팅 릴레이 출력 신호가 기준보다 불안정하고, 스타트모터 메커니즘도 입력 대비 회전 응답이 부족한 것이 확인되는군요.


두 항목 모두 시동불능의 직접적인 원인으로 판단되며 차주분과 상담 후 릴레이는 제조사 파츠, 스타트모터는 애프터 신품으로 구성해 파츠 오더를 진행하게됩니다.
입고된 파츠로 정비는 순차적으로 진행됩니다.


먼저 스타팅 릴레이를 새 파츠로 교환해 회로 구성부터 안정화시키고,


이어 스타트모터를 탈거해 분비된 신품으로 교체합니다.


배선·커넥터 체결 상태 및 체결 토크를 기준값으로 맞추고 조립한 후 시동 테스트를 진행하니 즉시 정상적인 크랭킹이 형성되며 시동성이 회복됩니다.


다음 진도를 나가 냉각수 교환정비는 BG 진공순환 방식으로 정비가 진행됩니다.

냉각라인 진공 상태에서 신유를 충전하는 방식으로 공기 유입을 방지해 냉각수 흐름을 안정적으로 복원하게됩니다.
냉각수 레벨링 조정, 라디에이터 팬 작동 로직 확인, 라인 압력 점검을 마무리하며 전체 냉각계 컨디션을 확인하며 마치죠.
이제 정비를 마친 맥시마는 시동성, 냉각계 모두 정상 범위에서 안정적으로 작동하며 출고 대기에 들어갑니다.
회로 분석과 실차 테스트가 필요한 과정이었지만 명확한 원인 진단 덕분에 빠르고 정확한 정비가 가능했던 사례였습니다.
바쁜 일정에도 찾아주셔서 고맙습니다.
언제나 안전운전입니다.
모터 리페어




